What are Cable Trays (Perforated, Ladder)?
Cable trays are structural systems designed to support and manage electrical cables in various environments. They come in different styles, primarily perforated and ladder configurations. Perforated cable trays feature holes or slots that allow for ventilation and drainage, while ladder trays consist of two vertical rails connected by rungs, offering a robust way to hold cables securely.
These trays are extensively used in commercial and industrial settings, including manufacturing facilities, data centers, and commercial buildings. They facilitate the organized routing of electrical wiring, ensuring safety and accessibility for maintenance. As industries increasingly rely on complex electrical systems, the demand for efficient cable management solutions like perforated and ladder trays continues to grow.
In the current market context, cable trays are vital for enhancing electrical safety, reducing fire hazards, and complying with industry regulations. With the rise of smart buildings and advancements in technology, the need for reliable cable management systems will only increase, making cable trays an essential component for modern infrastructure.
𝗞𝗲𝘆 𝗙𝗲𝗮𝘁𝘂𝗿𝗲𝘀 𝗮𝗻𝗱 𝗦𝗽𝗲𝗰𝗶𝗳𝗶𝗰𝗮𝘁𝗶𝗼𝗻𝘀
Cable trays are essential for efficient cable management, and their key features and specifications distinguish them in the market. A proper understanding of these specifications aids businesses in selecting the right product for their needs.
Key specifications include:
1. Material Composition
- Commonly made from steel, aluminum, or fiberglass
- Provides durability and resistance to corrosion
2. Load Capacity
- Varies based on design and material
- Typically ranges from 50 lbs to 1000 lbs, depending on the application
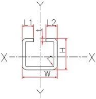
3. Width and Height
- Available in various widths, generally from 4 inches to 24 inches
- Height can vary, impacting cable capacity and airflow
4. Finish Options
- Galvanized, painted, or powder-coated finishes
- Enhances resistance to environmental factors
5. Installation Type
- Can be mounted on walls, ceilings, or directly on the floor
- Flexible installation options to meet project requirements
6. Compliance Standards
- Must adhere to industry standards such as CE
- Ensures safety and reliability in various applications
7. Customization Options
- Available in custom lengths and configurations
- Allows for tailored solutions for specific installations
8. Ventilation Features
- Perforated designs allow for airflow
- Reduces heat build-up and enhances cable longevity
In summary, understanding these key features and specifications helps businesses choose the right type of cable tray for their unique applications, ensuring safety and efficiency.
𝗖𝗼𝗺𝗺𝗼𝗻 𝗔𝗽𝗽𝗹𝗶𝗰𝗮𝘁𝗶𝗼𝗻𝘀 𝗮𝗻𝗱 𝗨𝘀𝗲 𝗖𝗮𝘀𝗲𝘀
Cable trays find application across various industries due to their versatility and effectiveness in cable management. This product serves various industries:
1. Electrical Utilities: Used for organizing and securing power cables in substations and distribution centers, ensuring safety and easy access for maintenance.
2. Telecommunications: Essential in data centers for managing network cables, reducing clutter and improving airflow around equipment.
3. Manufacturing: Employed in factories to manage power and control cables, facilitating safe operations and efficient workflow.
4. Commercial Buildings: Utilized in offices and retail spaces for distributing electrical wiring, enhancing aesthetics while ensuring compliance with safety standards.
5. Oil and Gas: Critical for managing cables in harsh environments, including offshore platforms, ensuring reliability and safety in operations.
6. Transportation: Used in airports and rail systems for efficiently routing electrical and communication cables, enhancing operational safety.
7. Healthcare: Important in hospitals for organizing cables in operating rooms and medical equipment areas, ensuring safe and efficient operations.
𝗣𝗿𝗼𝗱𝘂𝗰𝘁 𝗩𝗮𝗿𝗶𝗮𝗻𝘁𝘀 𝗮𝗻𝗱 𝗦𝘂𝗯𝗰𝗮𝘁𝗲𝗴𝗼𝗿𝗶𝗲𝘀
Cable trays come in various designs to cater to different needs and applications.
Perforated Cable Trays
These trays feature a series of holes along the base, allowing for ventilation and drainage. They are ideal for environments where moisture management is critical, such as in industrial settings.
Ladder Cable Trays
Characterized by their ladder-like structure, these trays provide robust support for heavy cables. They are commonly used in installations where a high load capacity is necessary, such as in power plants and large commercial buildings.
𝗕𝗲𝗻𝗲𝗳𝗶𝘁𝘀 𝗮𝗻𝗱 𝗔𝗱𝘃𝗮𝗻𝘁𝗮𝗴𝗲𝘀
Cable trays offer numerous advantages that enhance their appeal across various industries.
Key benefits include:
1. Enhanced Safety: Proper cable management reduces the risk of electrical hazards and fire risks associated with tangled or improperly routed cables.
2. Improved Accessibility: Cable trays allow for easy access to wiring, simplifying maintenance and reducing downtime for repairs.
3. Cost-Effectiveness: Using cable trays can lower installation and maintenance costs by promoting organized cable management and minimizing potential damage.
4. Versatility: Available in various designs and materials, cable trays can be customized to suit specific industry requirements and environments.
5. Compliance Assurance: Adhering to industry standards ensures that installations meet safety regulations, promoting peace of mind for businesses.
6. Aesthetic Appeal: Organized cable routing enhances the appearance of workspaces, contributing to a professional environment.
𝗕𝘂𝘆𝗶𝗻𝗴 𝗚𝘂𝗶𝗱𝗲 𝗳𝗼𝗿 𝗕𝟮𝗕 𝗕𝘂𝘆𝗲𝗿𝘀
When sourcing Cable Trays (Perforated, Ladder), businesses should consider several critical factors to make informed purchasing decisions.
1. Quality Assessment: Evaluate the quality of materials used in the cable trays. Look for products that comply with industry standards for durability and safety.
2. Supplier Verification: Research potential suppliers to ensure they have a good reputation and a history of reliable service. Check for certifications and customer feedback.
3. Pricing and MOQ: Understand the pricing structure and minimum order quantities. Compare different suppliers to find the best value while considering the quality.
4. Delivery and Lead Times: Inquire about delivery schedules and lead times to ensure timely project completion. Reliable suppliers should provide clear timelines.
5. Compliance Requirements: Be aware of local and industry-specific regulations that the products must meet. Ensure that the chosen trays comply with all necessary standards.
𝗖𝗼𝗺𝗽𝗹𝗶𝗮𝗻𝗰𝗲 𝗮𝗻𝗱 𝗖𝗲𝗿𝘁𝗶𝗳𝗶𝗰𝗮𝘁𝗶𝗼𝗻𝘀
Compliance with industry standards is crucial for the safety and reliability of cable trays. Relevant quality standards such as ISO 9001 address quality management systems, ensuring that manufacturers maintain high production standards.
Certifications like CE indicate that the products meet European safety requirements, providing assurance to buyers about the quality and safety of the trays. It is also essential for manufacturers to conduct thorough safety testing to confirm that their products can withstand the environmental conditions they are designed for.
Additionally, regional compliance considerations may vary, so it is vital to understand local regulations that may affect installation and usage. This awareness ensures that businesses remain compliant, reducing legal risks and enhancing operational safety.
Why Source Cable Trays (Perforated, Ladder) from Pepagora?
Pepagora provides a trusted platform for sourcing Cable Trays (Perforated, Ladder) with several key advantages.
Verified Supplier Network: Pepagora ensures that all suppliers are thoroughly vetted, providing buyers with confidence in the quality and reliability of the products offered. This network helps businesses identify trustworthy manufacturers.
Streamlined RFQ Process: The request for quotation process on Pepagora is designed to be efficient, allowing buyers to quickly gather multiple quotes from various suppliers. This streamlines procurement and helps businesses make informed decisions.
Trade Assurance and Support: Pepagora offers trade assurance, safeguarding buyers against potential issues such as delays or quality discrepancies. This support enhances the purchasing experience and builds trust.
Regional Coverage: With a strong presence in India, the GCC, and Southeast Asia, Pepagora connects buyers with suppliers across these regions, facilitating easy access to high-quality cable trays and supporting local businesses.